◆ 微差压变送器可用来测量差压或表压,并将信号转换为成比例的电流信号;
◆ 性能稳定,结构精巧,多用于测量干燥空气的微小差压或压力;
◆ 广泛应用于天然气管道,各种风压管道的差压或压力检测;
| 产品概述 |
| ━ Product featuresv1 ━ |
T35B差压变送器敏感元件采用固态压阻式敏感芯体,在芯体和两端波纹膜片之间充油,被测差压作用在两端的波纹膜片上,通过硅油把差压传递到敏感芯体上,芯体上的惠斯登电桥输出信号与差压值有着良好的线性关系,从而实现对被测差压的准确测量。该变送器采用一体化数字电路,输出标准4-20mA电流信号,广泛适用于石油、化工、电力、水文等管道气体、液体的差压测量。
| 产品特点 |
| ━ Product features ━ |
| 01 测压类型多样:从微差压到大量程差压;从负压到微压、绝压、高静压; |
| 02 多种结构形式,应用广泛:用于气体、蒸汽和液体的压力、差压测量; |
| 03 可搭配远传密封装置,可实现高温、黏稠、颗粒、结晶介质测量; |
| 04 接液材质多样:标配:316L不锈钢膜片;定制:哈氏合金、钽、铂金膜片; |
| 05 可搭载数显控制模块,压力控制器兼容数字通讯; |
| 06 智能温度补偿,提高变送器抗温度漂移性能,确保综合测量精度; |
| 07 支持显示和非显示两种结构类型可选;防腐、防压、防爆等需求; |
| 08 除可就地按键调试外,HART手操器、HART变送器调试软件均可对变送器的参数进行组态、设置; |
| 技术参数 |
━ Technical parameters ━ |
| 被测介质 | 与不锈钢无腐蚀的气体、液体、蒸汽 |
| 压力类型 | 差压 |
| 输出信号 | 标配:4~20mA两线制 选配:4-20mA Hart、Modbus RS485 |
| 供电 | 15~28VDC,推荐使用24VDC |
| 量程 | 0-35KPa-100KPa-200KPa-350KPa-700KPa-1MPa-2MPa-3.5MPa(量程可选) |
| 零点温度误差 | ±0.5%F.S典型 (>200KPa 参比25℃) |
| 满量程温度误差 | ±0.5%F.S典型 (>200KPa 参比25℃) |
| 温度补偿范围 | 0-50℃ |
| 工作温度 | -20~+80℃ |
| 存储温度 | -40~+80℃ |
| 综合精度 | ±0.5%F.S ±0.25%F.S (>200KPa 参比25℃) |
| 响应时间 | ≤1ms |
| 材质 | 壳体:304不锈钢 接液膜片:316L不锈钢 O型圈:氟橡胶 填充液:硅油 |
| 冲击 | 在100g,10ms 冲击变化≤1% |
| 震动影响 | 在3gRMS,(30-200)Hz震动后变化≤1% |
| 防爆等级 | ExdIICT6 Gb(仅限防爆型) |
| 电气连接 | M12航插 赫斯曼 直接引线 防爆格兰头 |
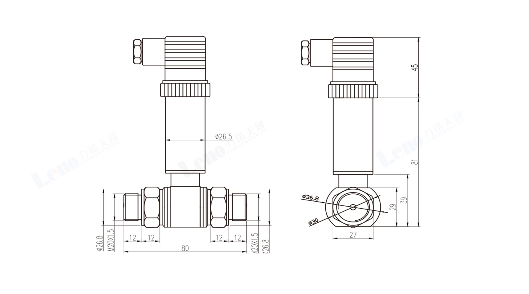
| 过程连接 | G1/4内螺纹 M20*1.5外螺纹 支持客户定制 |
| 防护等级 | IP65 |
| 外形尺寸 |
| ━ Overall dimension ━ |
